1、核心零件彈(dan)片為(wei)自制,全(quan)部零部件均為(wei)廠內自制,都是全(quan)自動化生(sheng)產,全(quan)過(guo)程控制;
2、產品的力度、手感可以(yi)(yi)根(gen)據客戶要求隨(sui)時可以(yi)(yi)進行調整(zheng);
3、因(yin)所(suo)有部件都為自制,品(pin)質跟交期可以有保(bao)障(zhang),價格方面也具有一定優勢;
4、每顆產(chan)品均全檢(jian). 全檢(jian)內容(rong)含產(chan)品外觀(guan),操作力,手(shou)感及導通功能(neng);
5、采用自動機組裝成品, 在品質穩定性及產能爬坡方面有明顯優勢。




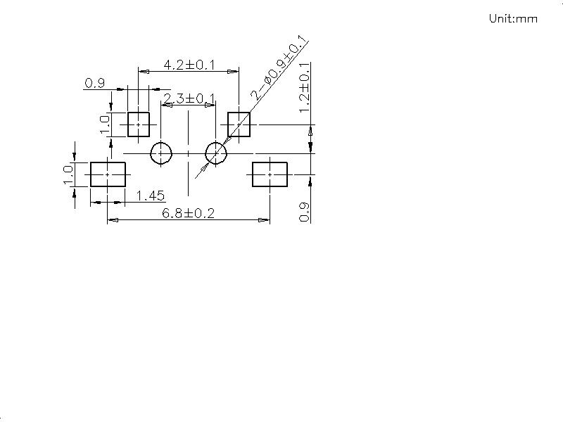
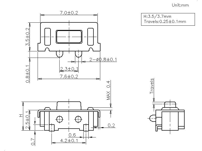
3*6 大側按輕觸開關PDF下載