1、激光工藝焊接封裝,產品牢固美觀,無涂膠流延。
2、通過接點熔接密封結構實現了開關的高可靠性(IP67同等級別的防塵、防水性能)
3、核心零件彈片為自制,全部零件均為廠內自制,全自動化生產,全過程控制,實現了兼具小型化和使用30萬次的長壽命
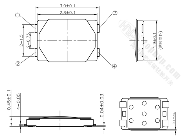
4、產品外形尺寸3.0mm×2.6mmx0.6mm,符合業界超薄超小型特色,同時具有laser特點 。
5.力度(120gf-330gf)、壽命可定制
6.無禁焊區域,領先國際同行
參考競品信息:
1、ALPS 2.8*1.9mm小型、附帶凸起的型(表面貼裝) SKSW系列
2、松下 2.8mm x 1.9mm形SMD(EVPA/EVPB/EVP0)




2819無點輕觸開關PDF下載