又黄又爽又色的免费网站,japan丰满人妻videos,亚洲成av人片在线观看,又白又嫩毛又多15p,丰满肥臀大屁股熟妇激情视频

你好,歡迎來到深圳市鴻源精密器材有限公司網站!

您現在的位置:首頁 >> 產品中心 >> 經典輕觸開關 >> 6*6側按支架開關
  • 6*6側按支架開關
  • 商品編號: 1TS005E
  • 材質: 底座(材質:PPA)、端子(材質:黃銅-Au鍍金)、彈片(材質:SUS301-Ag),按鈕 (材質:PPA)、蓋板(材質:SUS-Ag)
  • 適用范圍: 工業控制,電力電表開關,網通信通設備

 

1、工業級鍍金工藝。

 

2、高強度耐用品結構設計

 

3、核心零件彈片為自制,全部零件均為廠內自制,全自動化生產,全過程控制,實現了兼具小型化和使用30萬次的長壽命

 

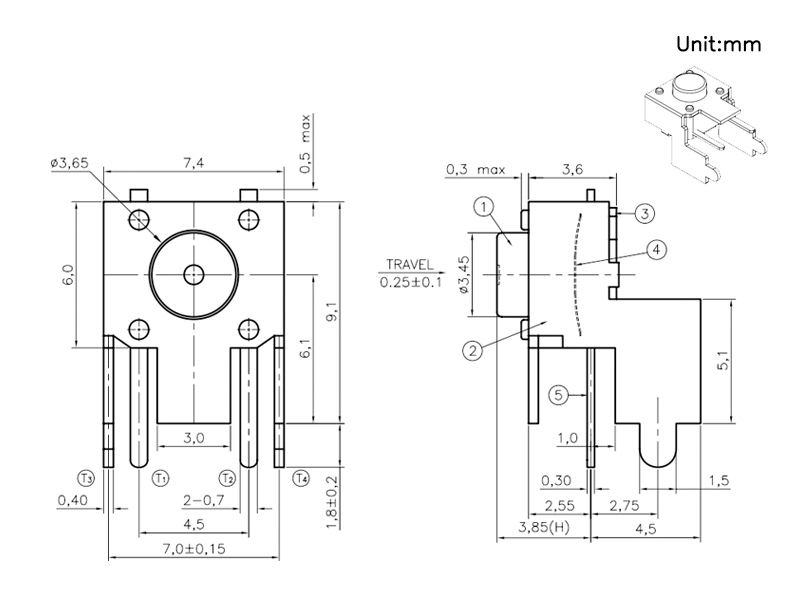
4、產品外形尺寸7.4*6*9.1mm,經典側按結構。

 

5.力度(150gf)、壽命可定制

 

6.穩定性領先國際同行

 

參考競品信息:


1、替代ALPS阿爾卑斯SKHH系列

 





 

6*6側按支架開關PDF下載

項目 內容
訂貨產品號 1TS005E
型號 1TS005E
類型 1TS005
外觀尺寸 (LxW) (mm) 9.1mm×7.4mm
外觀尺寸 (H) (mm) 3.85±0.1mm
離安裝面高度 (mm) 6.1±0.1mm
操作方法 側壓型
焊接對應 回流焊
實裝型 表面安裝
額定 DC 12V/50mA
接觸電阻 (mΩ以下) 500mΩ max.
絕緣電阻 (MΩ以上 at 100V DC) DC100V 60S  100MΩ min.
耐電壓 AC250V(50~60HZ) 60S min.
振動 10ms 以下 (ON, OFF)
操縱力矩 150gf
行程種類 短行程
行程 (mm) 0.25±0.05mm
使用壽命 10萬次
使用溫度范圍 –40℃~+90℃
保存溫度范圍 –40℃~+90℃
包裝形式 模壓帶包裝 (盤卷包裝)
最小包裝數量 300PCS/盤